当前位置:首页 >> 产品展示 >> 串接分离型频闪仪 >> 详细内容
![]() |
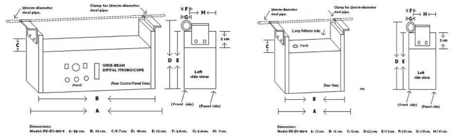
![]() 标题:串接分离型频闪仪型号:PK-DS-180-8 描述:串接分离型频闪仪,照射面积大,由一台主机,多台灯箱组合而成;安装方便,灵活使用! |
产品详情:
此款串接分离型频闪仪PK-DS-180-8,由一台主机和多台灯箱组合而成,其照射面积大,耐用寿命长等特点;灯箱数量可根据客户需求,随意搭配(可1至8台灯箱,甚至更多都可以),架设安装方便,灵活操作使用!具体产品详情可来电垂询......




|
Lin Yi |
Welcome to |
|
|
Copyright ©
版权所有:上海临宜电气设备有限公司 备案证书:
沪ICP备10029575号 Tel:18930657817 |

